验证天津良家的论坛

接待惠臨諸都會正一機器無限公司官方網站!
華為平板電腦型【P】
排查各類
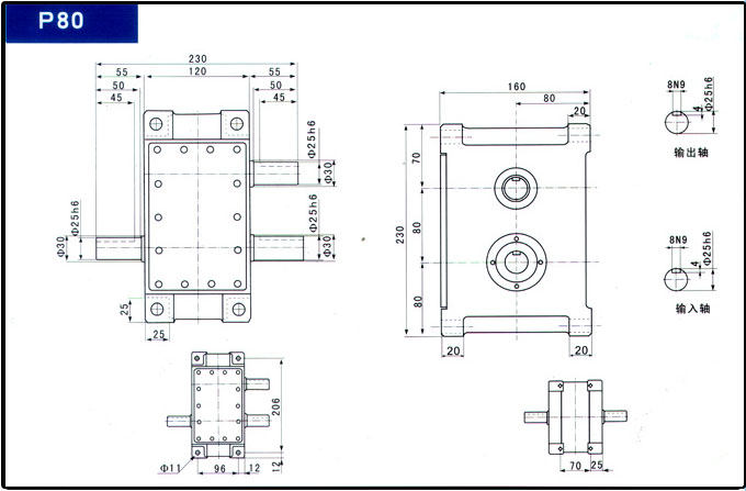
平板型朋分器
平板型朋分器

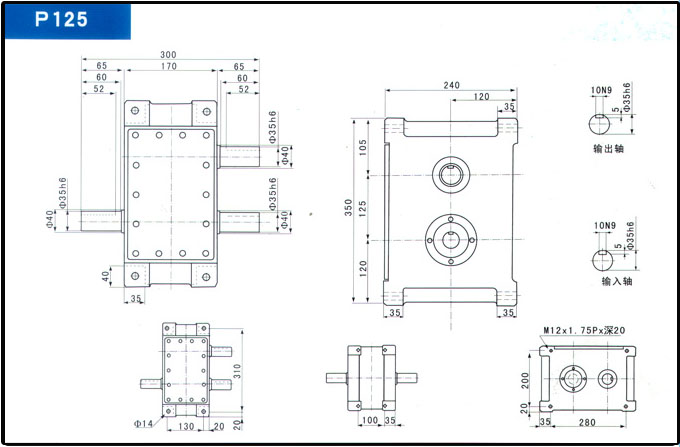
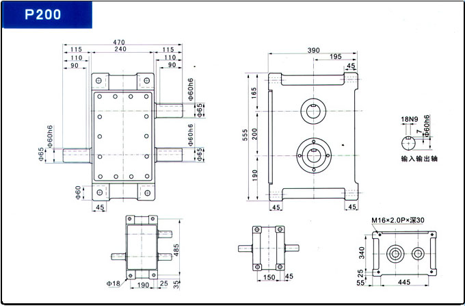
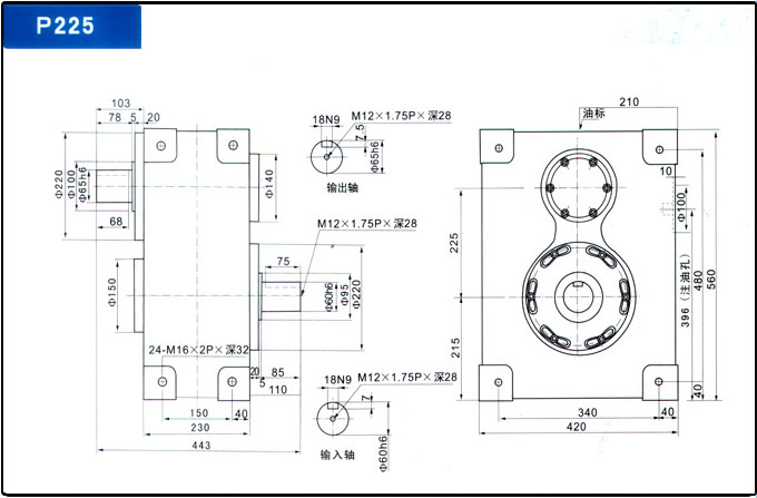
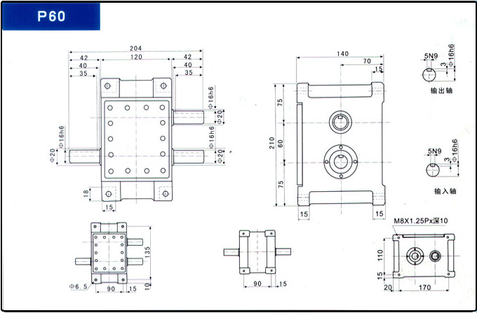
P50、P60、P65、P80、P100、P125、P150、P175、P200、P225、P250、P320
   此機種是內含二片牢固在輸出軸上得板型凸輪驅動輸出軸上得分度盤以實現分度,此朋分器有平行共輒凸輪的機構設想,合適供應節距較大的保送帶傳動或用于逗留時候較長的間歇分度。還有三片式重負荷型式,更合適一些疾速且長節距的保送,并且逗留時候亦比二片式長。